PIC-FC1 Frequency Counter


Introduction

This is a Frequency counter with PIC Microcontroller. It is available up to 38MHz at Normal HF mode. It is also available up to 2.4GHz with Fujitsu's MB-506 external prescaler.

Specifications

Display mode Frequency, Wave length
Resolution 1Hz, 10Hz, 100Hz, 1kHz
1mm (Wave length. Mimimum measuring unit is 1KHz)
Unit kHz (Resolution = 1Hz) or MHz (Others)
X.XXXm (Wave length)
Supply current 7mA (Using Input A)
25mA (Using Input B)
Supply voltage 5.1 to 10V

Measurement mode (Maximum measurement frequency)/Gate time(*1) :Input A
1Hz
resolution
10Hz
resolution
100Hz
resolution
1kHz
resolution
LF mode
(2.3MHz)
1sec. 0.1sec. 0.01sec. 0.001sec.
MF mode
(9.5MHz)
4sec. 0.4sec. 0.04sec. 0.004sec.
MH mode
(19MHz)
8sec.(*2) 0.8sec. 0.08sec. 0.008sec.
HF mode
(38MHz)
16sec.(*2) 1.6sec 0.16sec 0.016sec

Measurement mode (Maximum measurement frequency)/Gate time(*1) :Input B
1Hz
resolution
10Hz
resolution
100Hz
resolution
1kHz
resolution
LF mode
(150MHz)
64sec.(*2) 6.4sec. 0.64sec. 0.064sec.
MF mode
(600MHz)
- 25.6sec.(*2) 2.56sec. 0.256sec.
MH mode
(1200MHz)
- 51.2sec.(*2) 5.12sec. 0.512sec.
HF mode
(2400MHz)
- - 10.24sec.(*2) 1.024sec.

*1) Measuring time is added above plus 0.1sec.
*2) It is not displayed correctly if the value is greater than "16,777,215".

Figures etc.

Added self-extract file for DOS and updated the contents of LZH file.
(11 Jul)
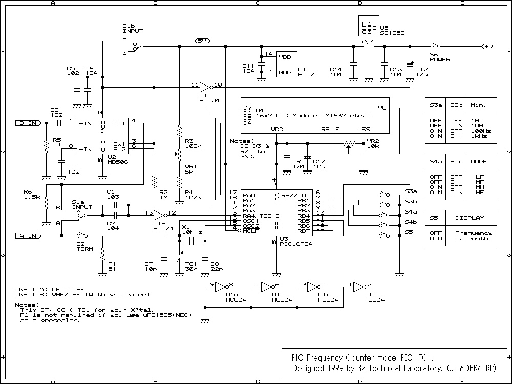
Schematic DiagramSchematic Diagram
Main Parts ListMain Parts List (25 Jul)
Software DownloadSoftware (PIC-FC1.LZH)
@Important!! Agreement for Licence is here.
Software DownloadSoftware (PIC-FC1.EXE) Self-extract file for DOS.

The specification of Hardware or Software of this counter may be changed the future. The source code of this counter maybe depends on the assembler.

Note

If you need more sensitivity, use 74AC04 or 74HC04 instead of 74HCU04 as U1. It may be better than 74HCU04, but the frequency response of 74HC04 may be worse.

32lab@mte.biglobe.ne.jp